极寒钛博客网
  • 首页
  • 单片机设计
    • > 基于51单片机
    • > 基于STM32单片机
  • 电路模块
    • > ADC/DAC
    • > 电源
    • > MCU
    • > 信号发生器
    • > 放大器
    • > 射频
    • > 滤波器
    • > 传感器
    • > 综合
  • 技术资料
    • > 软件使用技巧
    • > 插件
    • > Multisim
    • > Proteus仿真
    • > 综合
  • 软件安装
    • >【电路设计仿真】- Altium Designer | Multisim | Proteus | Eplan | Tina | Si9000
    • >【FPGA】- Gvim | Quartus ii | TimeGen
    • >【平面设计】- Photoshop| Illustrator | InDesign | lightroom | ACDSee
    • >【建筑设计】- 3Ds MAX | Sketchup | Revit (BIM) | Civil3D | Navisworks
    • >【室内/外设计】- AutoCAD | 3Ds MAX | Photoshop | Vray for 3dmax | Vray3.4 | Vray3.6 | Sketchup | Lumion
    • >【影视动画】- Premiere | After Effects | 3Ds MAX | Maya | C4D | Audition
    • >【机械设计】- AutoCAD | Solidworks | Pro/E | Creo | Abaqus | Unigraphics | NX | Mastercam | Catia | Rhino | MATLAB | Adams | PowerMill | Inventor
    • >【理科精品工具】- Lingo | Origin | Everything | casio计算器
    • >【电脑办公】- Office | 电脑系统 | Project | Visio
    • >【编程软件】- Visual Studio | LabVIEW | Keil | PyCharm | Python | IDEA
    • >【网页设计】- Dreamweaver | Flash | Axure RP
    • >【化工软件】
    • >【屏幕录像】
    • >【数据库】
    • >【数据统计分析】
登录
  1. 主页
  2. 技术资料> Proteus仿真
  3. 正文

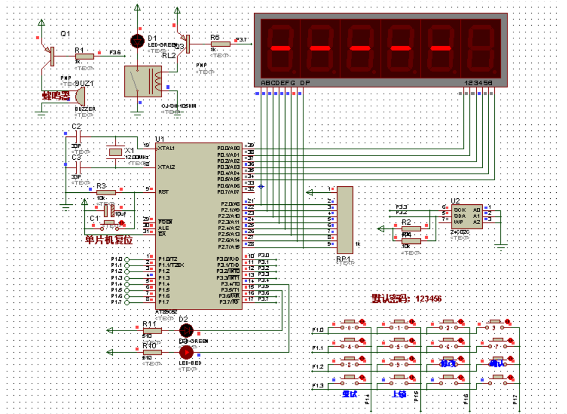
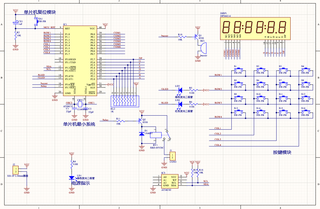
基于51单片机的密码锁柜proteus仿真程序设计数码管显示

2022年1月2日 0 条评论 1.32k 次阅读 4 人点赞

电路图设计如下所示:

链接:https://pan.baidu.com/s/1VUAehDZqvDAjcbhVtmtUMQ

提取码:oahi

 

暂无
© 著作权归作者所有

极寒钛

别给思维设限

点赞

更多电路模块

查看专题

更多软件安装

查看专题

点击标签

ps proteus Revit Visual Studio SolidWorks Lingo Axure RP Keil InDesign Flash 原理图 Adams Visio eplan Civil3D Inventor 滤波器 Origin Maya 草图大师 MyEclipse Altium Designer Dreamweaver Pro/E PyCharm Rhino 模块 AD603 project AutoCAD Illustrator 3dmax PCB Navisworks Creo Abaqus Office After Effects Lightroom IDEA Animate Premiere Audition vray Catia Windows ACDSee Mastercam 电路设计 SQL Server Lumion Multisim C4D Matlab LabVIEW sketchup Aspen Python PowerMill UG
  • 首页
  • 单片机设计
  • 电路模块
  • 技术资料
  • 软件安装
© 2018 极寒钛博客网. All Rights Reserved. Theme Dobby Made By Vtrois.
©蜀ICP备18032463号-2